快速入口
首页
供应
招标
求购
商城
企业库
资讯
展会
人才
商城首页
网站首页
供应
求购
企业库
资讯
招标
展会
供应
招标
求购
商城
企业库
资讯
展会
人才
商城首页
商城入驻
委托采购
商城导购热线
资金安全 银联担保
质量保障 放心可靠
当前位置:
首页
>
商城
>
机械设备
>
泵类
>
真空泵
>
200QJH不锈钢潜水泵
200QJH不锈钢潜水泵
收藏
产品价格:
¥0.10
不含税
手机
浏览
物流:
发货承诺:
7天内发货
到付:
不支持货到付款
品牌:
-
+
立即购买
加入购物车
在线交易
担保交易
企业贷款购买
商品详情
类型:
气体传输泵
材质:
不锈钢
原理:
真空泵
真空度:
粗真空度
驱动方式:
气动
性能:
耐腐蚀
用途:
潜水泵
输送介质:
污水泵、杂质泵
泵轴位置:
立式
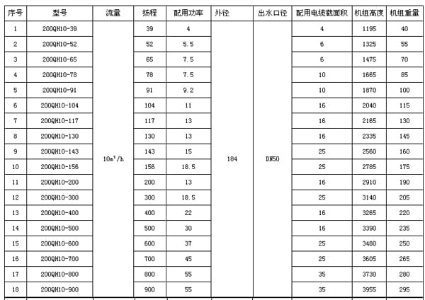
功率(kw):
极限压力(pa):
抽气速率(l/s):
抽气量:
最大工作压强:
重量(kg):
电压(V):
排出口径(mm):
扬程(m):
流量(m3/h):
叶轮数目:
轴流泵的附件包括:
井筒、拍门、潜水电缆、启动柜等小配件,我们可以提供轴流
泵以及所有配套附件,并且可以提供售后技术指导安装,保证
产品稳定的、可靠的运行。
企业介绍
天津中蓝泵业有限责任公司
[诚信档案]
联系人:
杨天
电话:
手机:
[发送短信]
地址:
天津市津南区津南经济开发区(东区)中兴道15号
商城服务
如何入驻商城
如何推荐商品
在线交易
买家无忧
卖家无忧
在线交易服务流程
委托求购
委托求购
委托求购流程
委托求购方式
常见问题
如何注册成为会员?
合作及洽谈
联系我们