商城首页
商城入驻
委托采购
商城导购热线
资金安全  银联担保 质量保障  放心可靠

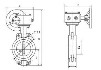
D971H对夹式电动蝶阀

收藏 产品价格: ¥0.10 不含税
手机
浏览
物流:
发货承诺:7天内发货
到付:不支持货到付款
品牌:
商品详情
型号: 产品别名: D971H对夹式电动蝶阀
用途: 适用行业:

【型号】:D971H

【通经】:DN50-DN2000

【压力】:PN6/PN10/PN16

【温度】:丁腈橡胶:-40℃~90℃氟橡胶:-20℃~200℃

【阀体材质】:丁腈橡胶:-40℃~90℃氟橡胶:-20℃~200℃

【适用介质】:水、空气、天然气、油品及弱腐蚀性流体



产品介绍

 



D971H对夹式电动蝶阀结构紧凑,90°回转开关轻松,密封可靠,使用寿命长,被广泛用于水厂、电厂、钢厂、造纸、化工、饮食等系统供排水中,作为调节和截止使用。



产品特点




结构紧凑,90°回转开关轻松,密封可靠,使用寿命长。




技术参数




企业介绍

上海美力德阀门制造有限公司

商城服务
如何入驻商城 如何推荐商品
在线交易
买家无忧 卖家无忧 在线交易服务流程
委托求购
委托求购 委托求购流程 委托求购方式
常见问题
如何注册成为会员? 合作及洽谈 联系我们