| 型号: | 材质: | ||
| 类型(通道位置): | 连接形式: | ||
| 适用介质: | 流动方向: | ||
| 用途: | 电磁阀 | 公称通径(mm): | |
| 工作温度(℃): | 位置数: | ||
| 使用压力(mpa): | 有效截面积(mm2): | ||
| 动作方式: | 最高动作频率: | ||
|
上海川沪阀门有限公司生产的ZCS水用电磁阀适用于于水或液体等工作介质,可自动控制或远程控制水、油、液体等工作介质管路的通断。由于本阀采用橡胶密封,故对工作介质的清洁度大大减低,具有启闭迅速,可靠性高等优点。 电源电压有24V或者220V可选。 材质有黄铜和不锈钢,连接方式主要有法兰和内螺纹连接。 |
![]() |
|
ZCS水用电磁阀
|
1.电磁先导膜片式操作结构
2.阀门流量比普通阀提高10%
3.采用特殊密封结构和特种密封材料无泄漏
4.寿命长是同类产品的5倍以上
5.工作平稳噪音低、无水锤冲击、无颤抖声
6.采用膜片式、对介质洁净度要求较低
7.不锈钢可动铁芯经久耐用,反应快速;
8.配管方式可任意角度安装,为增强寿命##是水平管线圈朝上
9.防爆线圈符合T4,T5和测CE的标准(德国NASS线圈)
10.引用标准:GB3836·9 防爆标志 Exm I/IIT4(国产线圈)
本阀通径15~100为膜片式为二次开阀的先导式电磁阀,通径125~300为三次开阀的先导式电磁阀,其结构主要由副阀和主阀组成。根据断电时所处开关状态的不同,可分为常闭电磁阀和常开电磁阀。常闭电磁阀,常位时,活动铁芯封住副阀口,阀腔内压力平衡,副阀、主阀口封闭。当线圈通电,产生电磁力:将活动铁芯吸上,副阀打开,主阀腔内的介质自导阀门外世,以致主阀阀杯上下产生压力差,膜片或阀杯被迅速托起主阀口开启,阀呈通路状态。
当线圈断电,磁场消失,活动铁芯复位,封闭副阀口,继而副阀和主阀阀杯内压力上升,主阀阀杯压向阀座,阀又呈关闭状态。
常开电磁阀,当线圈通电时,产生磁力,衔铁在磁力作用下下移,推动副阀阀杯下移,副阀关闭,随着主阀阀杯上下压差趋向相等,主阀阀杯由自重压向密封面,阀门关闭。当线圈断电后,磁力为零,衔铁祁副阀阀杯由于弹簧作用上升,副阀打开,主阀阀杯内介质经副阀流走,压力下降,当压力降到一定值后,主阀阀杯由上下压差作用向上升起,主阀打开,阀门开启。

| 工作介质 | 水、粘度≤4°E油及其它非腐蚀性液体 | ||||||||||||||||
| 介质温度°C | ≤60 | ||||||||||||||||
| 公称压力(Mpa) | 1.0 | ||||||||||||||||
| 工作压差(Mpa) | 0.05~1.0 | 0.1~1.0 | 0.15~1.0 | ||||||||||||||
| 电源电压 | AC200V,其余规格可作特殊订货(36V、12V、24V) | ||||||||||||||||
| 流量系数(Kv) | 按JB/T7352-94规定 | ||||||||||||||||
| 泄漏量(ml/min) | 按JB/T7352-94.F规定 | ||||||||||||||||
| 公称通径(mm) | 10 | 15 | 20 | 25 | 32 | 40 | 50 | 65 | 80 | 100 | 125 | 150 | 200 | 250 | 300 | ||
| 功耗(VA) | 17 | 30 | |||||||||||||||
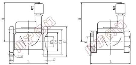
| 公称通径 DN | 内螺纹连接 | 法兰连接 | |||||||||
| 外形尺寸 | 内螺纹 | 外形尺寸 | 法兰尺寸 | ||||||||
| H | L | G | H | L | D | D1 | D2 | b | f | n-d | |
| 15 | 112 | 80 | 1/2 | ||||||||
| 20 | 119 | 80 | 3/4 | ||||||||
| 25 | 130 | 90 | 1 | 130 | 60 | 115 | 85 | 65 | 16 | 3 | 4-Φ14 |
| 32 | 137 | 140 | 11/4 | 137 | 180 | 140 | 100 | 76 | 18 | 3 | 4-Φ18 |
| 40 | 152 | 156 | 11/2 | 152 | 200 | 150 | 110 | 84 | 18 | 3 | 4-Φ18 |
| 50 | 164 | 180 | 2 | 164 | 230 | 165 | 125 | 99 | 20 | 3 | 4-Φ18 |
| 65 | 222 | 290 | 185 | 145 | 118 | 20 | 3 | 4-Φ18 | |||
| 80 | 253 | 310 | 200 | 160 | 132 | 22 | 3 | 8-Φ18 | |||
| 100 | 260 | 350 | 220 | 180 | 156 | 24 | 3 | 8-Φ18 | |||
| 125 | 315 | 400 | 250 | 210 | 184 | 26 | 3 | 8-Φ18 | |||
| 150 | 350 | 480 | 285 | 240 | 211 | 26 | 3 | 8-Φ22 | |||
| 200 | 390 | 600 | 340 | 295 | 266 | 26 | 3 | 8-Φ22 | |||
![]() |
|
ZCS水用电磁阀外形尺寸图
|
注:表中尺寸为不带标准附件数据。另由于产品改进技术创新参数可能有一定变化,请咨询公司技术部门索取##数据。