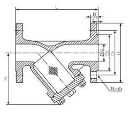
| 型号: | 材质: | ||
| 连接形式: | 种类: | 疏水阀 | |
| 公称通径(mm): | 适用介质: | ||
| 压力环境: | 工作温度: | ||
| 标准: | 流动方向: | ||
| 驱动方式: | 零部件及配件: | ||
| 形态: | 类型(通道位置): | ||
|
产 品: |
YG45H德标Y型过滤器 |
|
型 号: |
YG45H-16C |
|
规 格: |
DN15-DN300 |
|
品 牌: |
渤工阀门有限公司 |
|
单 价: |
面议 |
|
最小起订量: |
1 台 |
|
供货总量: |
1000 台 |
【阀门概述】:
渤工阀门厂专业生产的【YG45H德标Y型过滤器】是输送介质管道上不可缺少的一种装置,通常安装在减压阀、泄压阀、定水位阀或其它设备的进口端,用来消除介质中的杂质,以保护阀门及设备的正常使用。当流体进入置有一定规格滤网的滤筒后,其杂质被阻挡,而清洁的滤液则由过滤器出口排出,当需要清洗时,只要将可拆卸的滤筒取出,处理后重新装入即可,因此,使用维护极为方便。
【德标Y型过滤器用途及特点】:
【YG45H德标Y型过滤器】应用场合:热油系统、电站、蒸汽系统、热水系统、热电厂、天然气供应系统、水循环系统、冷冻系统等行业。适用介质:水、油品、蒸汽等。
产品特点:
1、具有结构先进,阻力小。
2、通流快速,故压力损失小,抗污性强,排渣方便。
【产品性能规范】:
|
公称压力 |
2.5 |
Mpa |
|
|
强度试验 |
3.8 |
||
|
最高工作温度 |
-29-+425 |
|
|
|
关闭流速 |
3-5m-s |
||
|
正常流速 |
≤1.5m/s |
||
|
关闭时间 |
《10秒 |
||
|
适用介质: |
液化石油气 ,液氨,油品 , 天然气等非腐蚀性介质。 |
||
